Transformer for Electroplating Field

THDi <5%
HomeSolutionTransformer for Electroplating Field[PRIN]-电镀谐波解决方案-移相自耦变压器与多脉波整流原理

[PRIN]-电镀谐波解决方案-移相自耦变压器与多脉波整流原理

Tags:
Share to:

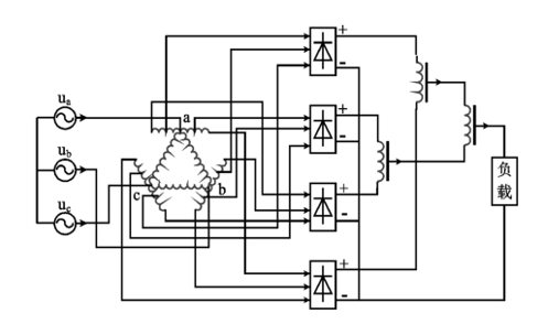
Multi-Pulse Rectification Structure

Common structures in multi-pulse rectification systems include:

  • 12-pulse rectification
  • 18-pulse rectification
  • 24-pulse rectification

Taking a 24-pulse rectification system as an example, the phase-shifting autotransformer generates multiple sets of three-phase voltages with specific phase differences (typically **15° phase difference**).
These voltages are respectively supplied to multiple rectifier bridges for rectification.

Harmonic Cancellation Principle

The harmonic currents generated by different rectifier bridges, due to their different phases, cancel each other out when superimposed on the primary side of the transformer using magnetomotive force.For example:

  • 5th harmonic
  • 7th harmonic
  • 11th harmonic
  • 13th harmonic

These lower harmonics are significantly weakened within the system, and what ultimately enters the power grid are mainly higher harmonics with smaller amplitudes (such as the 23rd and 25th harmonics), thereby greatly reducing the total harmonic distortion rate of the system.

Previous: [PAIN]-电镀谐波解决方案-能源浪费与安全隐患 1 month ago
[ADV]-电镀谐波解决方案-优异的谐波抑制能力
Next: [ADV]-电镀谐波解决方案-优异的谐波抑制能力 1 month ago
SIKES Editor
View All Products Quick Filter
News You May Want to Read
Latest updates and trending topics from us